
由鑫国际有限公司
www.tai-sam.com
由鑫国际有限公司TAI SAM CORPORATION
- 电话: +886-2-26028689
- 传真: +886-2-26031387
- 信箱: info@yoeshin.com.tw;sales@tai-sam.com.tw
- 地址: 台湾 新北市林口区文化二路二段371号
規格書
规格书
Specification
直流軸流風扇
产品介紹
| 產品編號 Product Number |
軸承類型 B.S.R |
轉速 RPM |
額定電壓 VDC |
額定電流 Amp |
額定輸入功率 Watt |
最大流量 CFM |
m³/H | 最大靜壓 mmH₂O |
inH₂O | 噪音 dB-A |
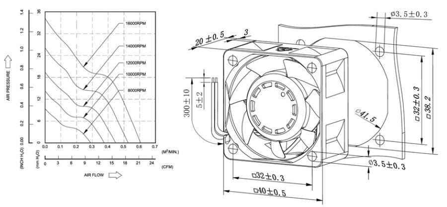
| SA120420-L | B | 8000 | 12 | 0.12 | 1.44 | 10.2 | 17.3 | 9.35 | 0.37 | 38.5 |
| SA120420-M | B | 10000 | 12 | 0.15 | 1.80 | 13.3 | 22.5 | 14.3 | 0.56 | 43.4 |
| SA120420-H | B | 12000 | 12 | 0.24 | 2.88 | 15.8 | 26.9 | 19.4 | 0.76 | 49.5 |
| SA120420-U | B | 14000 | 12 | 0.35 | 4.20 | 18.6 | 31.6 | 26.1 | 1.03 | 52.9 |
| SA120420-S | B | 16000 | 12 | 0.52 | 6.24 | 21.4 | 36.4 | 34.2 | 1.35 | 55.8 |
| SA240420-L | B | 8000 | 24 | 0.05 | 1.20 | 10.2 | 17.3 | 9.35 | 0.37 | 38.5 |
| SA240420-M | B | 10000 | 24 | 0.07 | 1.68 | 13.3 | 22.5 | 14.3 | 0.56 | 43.4 |
| SA240420-H | B | 12000 | 24 | 0.12 | 2.88 | 15.8 | 26.9 | 19.4 | 0.76 | 49.5 |
| SA240420-U | B | 14000 | 24 | 0.20 | 4.80 | 18.6 | 31.6 | 26.1 | 1.03 | 52.9 |
| SA240420-S | B | 16000 | 24 | 0.29 | 6.96 | 21.4 | 36.4 | 34.2 | 1.35 | 55.8 |



