
由鑫国际有限公司
www.tai-sam.com
由鑫国际有限公司TAI SAM CORPORATION
- 电话: +886-2-26028689
- 传真: +886-2-26031387
- 信箱: info@yoeshin.com.tw;sales@tai-sam.com.tw
- 地址: 台湾 新北市林口区文化二路二段371号
規格書
规格书
Specification
直流軸流風扇
产品介紹
| 產品編號 Product Number |
軸承類型 B.S.R |
轉速 RPM |
額定電壓 VDC |
額定電流 Amp |
額定輸入功率 Watt |
最大流量 CFM / m³/H |
最大靜壓 mmH₂O / inH₂O |
噪音 dB-A |
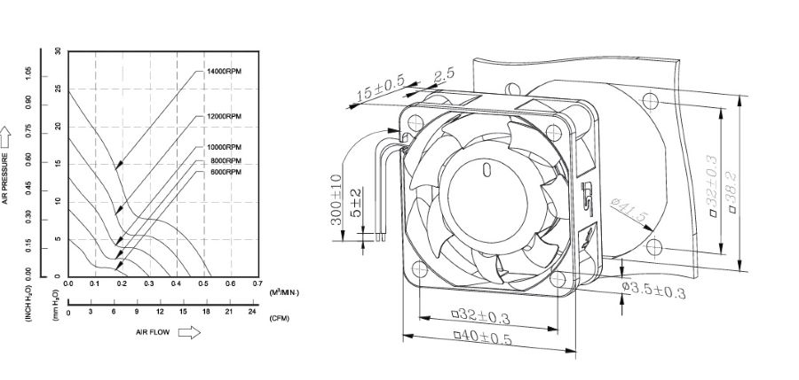
| SA120415-L | B | 6000 | 12 | 0.06 | 0.72 | 7.80 / 13.3 | 5.10 / 0.20 | 32 |
| SA120415-M | B | 8000 | 12 | 0.1 | 1.2 | 10.5 / 17.8 | 10.20 / 0.40 | 35.5 |
| SA120415-H | B | 10000 | 12 | 0.12 | 1.44 | 13.3 / 22.6 | 13.3 / 0.52 | 40.1 |
| SA120415-U | B | 12000 | 12 | 0.21 | 2.52 | 15.9 / 27.1 | 15.0 / 0.59 | 43 |
| SA120415-S | B | 14000 | 12 | 0.35 | 4.2 | 18.6 / 31.6 | 24.8 / 0.98 | 47.7 |
| SA240415-L | B | 6000 | 24 | 0.04 | 0.48 | 7.80 / 13.3 | 5.10 / 0.20 | 32 |
| SA240415-M | B | 8000 | 24 | 0.09 | 2.16 | 10.5 / 17.8 | 9.30 / 0.36 | 35.5 |
| SA240415-H | B | 10000 | 24 | 0.14 | 3.36 | 13.3 / 22.6 | 13.3 / 0.52 | 40.1 |
| SA240415-U | B | 12000 | 24 | 0.27 | 6.48 | 15.9 / 27.1 | 17.0 / 0.67 | 43.3 |
| SA240415-S | B | 14000 | 24 | 0.4 | 9.6 | 18.6 / 31.6 | 24.8 / 0.98 | 47.7 |



