
由鑫国际有限公司
www.tai-sam.com
由鑫国际有限公司TAI SAM CORPORATION
- 电话: +886-2-26028689
- 传真: +886-2-26031387
- 信箱: info@yoeshin.com.tw;sales@tai-sam.com.tw
- 地址: 台湾 新北市林口区文化二路二段371号
規格書
规格书
Specification
直流軸流風扇
产品介紹
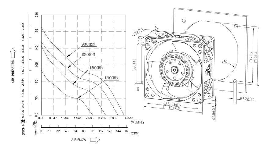
| 產品編號 Product Number |
軸承類型 B.S.R |
轉速 RPM |
額定電壓 VDC |
額定電流 Amp |
額定輸入功率 Watt |
最大流量 CFM / m³/H |
最大靜壓 mmH₂O / inH₂O |
噪音 dB-A |
| SC120838-H | B | 12000 | 12 | 1.3 | 15.6 | 96.4 / 163.7 | 94.0 / 3.70 | 63.9 |
| SC120838-U | B | 15000 | 12 | 2.3 | 27.6 | 120.4 / 204.4 | 145.4 / 5.72 | 68.7 |
| SC120838-S | B | 18500 | 12 | 4 | 48 | 138.6 / 235.3 | 159.4 / 6.28 | 73.3 |
| SC120838-F | B | 20000 | 12 | 4.8 | 57.6 | 154.9 / 263.0 | 183.8 / 7.24 | 75 |
| SC480838-S | B | 18500 | 48 | 1 | 48 | 138.7 / 235.4 | 159.4 / 6.28 | 73.3 |



