
由鑫国际有限公司
www.tai-sam.com
由鑫国际有限公司TAI SAM CORPORATION
- 电话: +886-2-26028689
- 传真: +886-2-26031387
- 信箱: info@yoeshin.com.tw;sales@tai-sam.com.tw
- 地址: 台湾 新北市林口区文化二路二段371号
規格書
规格书
Specification
直流軸流風扇
产品介紹
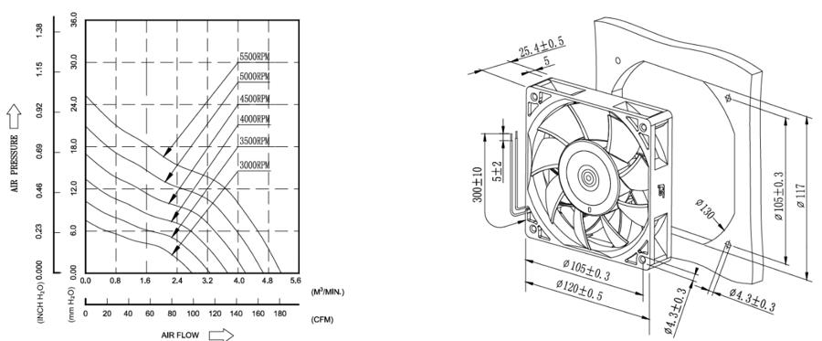
| 產品型號 | 軸承型式 | 轉速 | 額定電壓 | 電流 | 功率 | 風量 | 靜壓 | 噪音值 | ||
| Product Number | B.S.R | RPM | VDC | Amp | Watt | CFM | m³/H | mmH2O | inH2O | dB-A |
| SE121225-L | B | 3000 | 12 | 0.42 | 5.04 | 99 | 168.1 | 7.54 | 0.3 | 45 |
| SE121225-M | B | 3500 | 12 | 0.57 | 6.84 | 115.7 | 196.5 | 10.3 | 0.4 | 49 |
| SE121225-H | B | 4000 | 12 | 0.75 | 9 | 132.1 | 224.3 | 13.4 | 0.53 | 53 |
| SE121225-U | B | 4500 | 12 | 1.04 | 12.5 | 148.6 | 252.3 | 17 | 0.67 | 55 |
| SE121225-S | B | 5000 | 12 | 1.38 | 16.6 | 165.1 | 280.3 | 20.9 | 0.82 | 57 |
| SE121225-F | B | 5500 | 12 | 1.7 | 20.4 | 181.6 | 308.4 | 25.4 | 1 | 59 |
| SE241225-L | B | 3000 | 24 | 0.28 | 6.72 | 99 | 168.1 | 7.54 | 0.3 | 45 |
| SE241225-M | B | 3500 | 24 | 0.38 | 9.12 | 115.7 | 196.5 | 10.3 | 0.4 | 49 |
| SE241225-H | B | 4000 | 24 | 0.47 | 11.3 | 132.1 | 224.3 | 13.4 | 0.53 | 53 |
| SE241225-U | B | 4500 | 24 | 0.59 | 14.1 | 148.6 | 252.3 | 17 | 0.67 | 55 |
| SE241225-S | B | 5000 | 24 | 0.73 | 17.5 | 165.1 | 280.3 | 20.9 | 0.82 | 57 |
| SE481225-L | B | 3000 | 48 | 0.17 | 8.16 | 99 | 168.1 | 7.54 | 0.3 | 45 |
| SE481225-M | B | 3500 | 48 | 0.22 | 10.6 | 115.7 | 196.5 | 10.3 | 0.4 | 49 |
| SE481225-H | B | 4000 | 48 | 0.27 | 13 | 132.1 | 224.3 | 13.4 | 0.53 | 53 |
| SE481225-U | B | 4500 | 48 | 0.32 | 15.4 | 148.6 | 252.3 | 17 | 0.67 | 55 |
| SE481225-S | B | 5000 | 48 | 0.4 | 19.2 | 165.1 | 280.3 | 20.9 | 0.82 | 57 |



