
由鑫国际有限公司
www.tai-sam.com
由鑫国际有限公司TAI SAM CORPORATION
- 电话: +886-2-26028689
- 传真: +886-2-26031387
- 信箱: info@yoeshin.com.tw;sales@tai-sam.com.tw
- 地址: 台湾 新北市林口区文化二路二段371号
規格書
规格书
Specification
直流軸流風扇
产品介紹
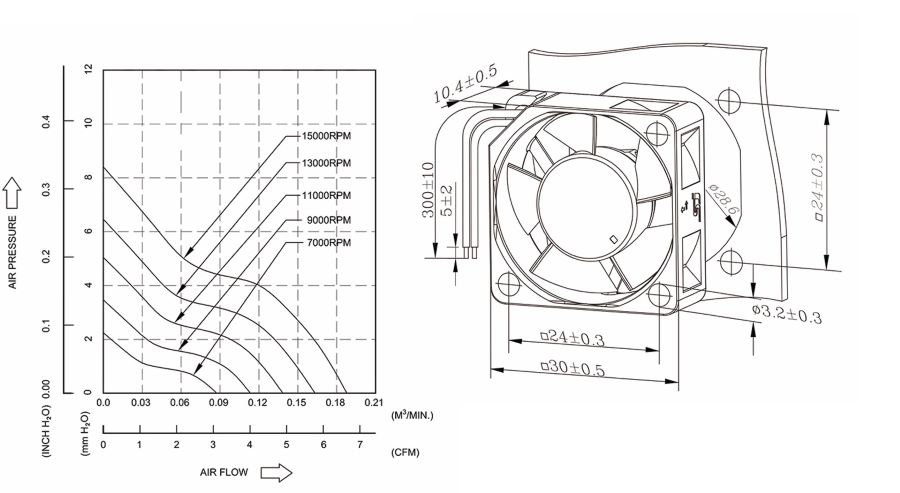
| 產品編號 Product Number |
軸承類型 B.S.R |
轉速 RPM |
額定電壓 VDC |
額定電流 Amp |
額定輸入功率 Watt |
最大流量 CFM / m³/H |
最大靜壓 mmH₂O / inH₂O |
噪音 dB-A |
| SA120310-L | R | 7000 | 12 | 0.06 | 0.72 | 3.10 / 5.26 | 2.25 / 0.09 | 26.8 |
| SA120310-M | R | 9000 | 12 | 0.07 | 0.84 | 4.01 / 6.81 | 3.47 / 0.14 | 32 |
| SA120310-H | R | 11000 | 12 | 0.09 | 1.08 | 4.90 / 8.32 | 5.04 / 0.20 | 37.4 |
| SA120310-U | R | 13000 | 12 | 0.1 | 1.2 | 5.88 / 9.98 | 6.50 / 0.26 | 40.8 |
| SA120310-S | R | 15000 | 12 | 0.16 | 1.92 | 6.64 / 11.28 | 8.40 / 0.33 | 44.9 |



